Wiring diagram mobil eropa

2026-02-11
Wiring diagram mobil eropa Travel
  • Android 7.0
  • Version: 1.1
  • 7.52MB
9.1
1
2
3
4
5
9.1(371)

Wiring diagram mobil eropa -

Circuit Diagram Service Manual Wiring Diagram for the Car Europe - American

In this application there are a number of Circuit Diagram / Wiring Diagram Manual Services for Design / American / European -made cars, this application can help you and add special insight into luxury car specialist technicians (America - Europe). This Wiring Diagram application is perfect for those of you who like to be with electricity. All the trouble in your cars, can be overcome with a service manual wiring diagram. With the increasingly sophisticated technology in cars now, making the automotive world compete - the latest and most sophisticated engine. And Wiring Diagram never escapes its role from the problem. The following description:

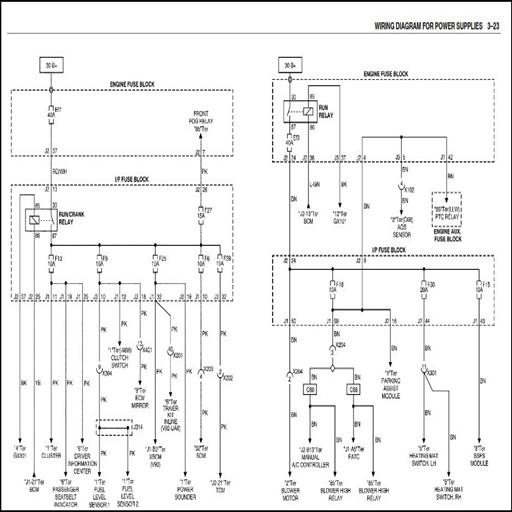
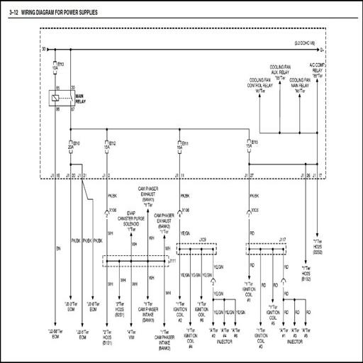
1. Starting & Charging System

- Battery, Motorcycle Starter, Generator & NSBU Switch Circuit: (Diesel / Gasoline)

- Ignition Switch Circuit

- Circuit Power Mode

2. ECM (Engine Control Module)

- Battery Power Supply, Ground, EI System, Generator & CKP Circuit sensor

- Fuel Pump, Injector & Heated O2 Circuit Sensor

- ETC Module, Sensor (Map, ECT, Knock, ACP & Accelerator Pedal), Oil Pressure Switch & Legr Circuit

- Evap Canister Purge Solenoid, Sensor (CMP, Accelerator Pedal, Fuel Level) & Clutch Switch Circuit

- Brake Switch, Back Up Switch, NSBU Switch Circuit

- DLC (Data Link Connector) Circuit

3. ECM (Engine Control Module): (2.0 Diesel)

- Battery Power Supply, Ground, Glow Plug Control Unit, Fuel Heater, Generator &

CKP Circuit sensor

- Injector, Fuel Pump & Sensor (Exhaust Gas Temperature, Fuel Temperature)

Circuit

- Sensors (WIF, MAF/IAT, DPF Pressure, Rail Pressure, ECT, ACP), Switch (Oil Pressure),

Rail Pressure Control Valve & Fuel Metering Circuit Unit

- Sensors (accelerator pedal, boost pressure, fuel level, cmp), actuator

(Throttle Plate, Boost Pressure), Clutch Switch & EGR Valve Circuit

- Brake Switch, Back Up Switch & NSBU Switch Circuit

- DLC (Data Link Connector) Circuit

4. TCM (Transmission Control Module)

- Power Supply, Ground, Brake Switch & Solenoid Valve Circuit

- Sensors (input speed, output speed), NSBU Switch & High Speed Can Circuit

- Gear Shift Lever, Winter Switch & Cluster Circuit Mode

5. BCM (Body Control Module)

- Power Supply, Ground, Ignition Switch Circuit

- Power Mode, Rain Sensor & Rear Wiper Switch Circuit

- Head Lamp, Illumination, Front/Rear Fog, Brake Switch & Dimmer Control Circuit

- Interior Lamp, Back Up Lamp, Gear Shift Level, Switch (Winter Mode, Cruise, Hazard,

Turn signal) circuit

- Wiper Front, Lift Gate Wiper, Rain Sensor & Evap Core Temp. Circuit sensor

- Door lock/unlock, horn, door latch, parking assist & switch (Park brake, hood open, door lock) circuit

- Power window, Gate Glass Lift, Coupling Control Module, ESP Switch & Manual A/C Controller Circuit

6. Air Conditioner

- Air Conditioner Control Switch & Blower Motor Circuit

- Motorcycle intake, Motor Mode & Evap Core Temp. Circuit sensor

7. FATC (Full Automatic Temperature Control)

- Motor (Blower, Intake, Mode, Temperature) & Power Circuit Module

- Sensor (AQS, Duct Temp., EVAP CORE TEMP., ACAR, COMBI), ECM & BCM CIRCUIT

8. Air Conditioner Compressor Circuit

9. Radiator Cooling Fan Circuit

- Cooling Fan Circuit: Diesel / Gasoline

10. PTC -HEATER CIRCUIT: Diesel

11. Head lamp circuit

- W/O Head Lamp Leveling

- W/ H/ Head Lamp Leveling

12. Head Lamp Lamp Circuit Switch

- W/O Auto Light

- W/ Auto Light

13. Illumination Circuit

- Illumination, Dimmer Control Switch & Heating Mat Switch Circuit

- Lamp (License Plate & Front/Rear Parking) Circuit

14. Front & Rear Fog Lamp Circuit

15. Hazard & Turn Signal Lamp Circuit

16. Stop Lamp, High Mount Mount Stop Lamp (CHMSL), Back Up Lamp & ECM Mirror

Circuit

17. Interior Lamp Circuit

- LAMPS (MAP, Room, Door Step, Sunvisor, Luggage, Glove Box, Key Hole) Circuit

18. Wiper Circuit

- Front Wiper Circuit

- Lift Gate Wiper Circuit & Head Lamp Washer Circuit

Download free, hopefully useful.

What's New in the Latest Version 1.1

Last Updated on Sep 25, 2018 Most Popular Applications

Read more

Screenshots

Popular Downloads